Product Summary
The DSEI2X101-12A is a fast recovery epitaxial diode(FRED), which is widely used in antiparallel diode for high frequency switching devices, anti saturation diode, snubber diode, free wheeling diode in converters and motor control circuits and so on. The advantages of the DSEI2X101-12A include: (1)Easy to mount with two screws; (2)Space and weight savings; (3)Improved temperature and power cycling capability; (4)Low noise switching; (5)Small and light weight.
Parametrics
DSEI2X101-12A maximum ratings: (1)IFRMS, TVJ = TVJM: 130 A; (2)IFAVM, TC = 50℃; rectangular; d = 0.5: 91 A; (3)IFRM, tP < 10 μs; rep. rating; pulse width limited by TVJM: tbd A; (4)IFSM, TVJ = 45℃; t = 10 ms (50 Hz), sine: 900 A; (5)TVJ: -40 to +150℃; (6)TVJM: 150℃; (7)Tstg: -40 to +150℃; (8)Ptot, TC = 25℃: 250 W; (9)VISOL, 50/60 Hz, RMS t = 1 min: 2500 V; IISOL ≤ 1 mA, t = 1 s 3000 V; (10)Md, Mounting torque (M4): 1.5 - 2.0 Nm, 14 - 18 lb.in.; (11)Weight: 24 g.
Features
DSEI2X101-12A features: (1)Single-Chip IEEE 802.3 Ethernet Controller with Direct ISA-Bus Interface; (2)Maximum Current Consumption = 55 mA (5V Supply); (3)3 V or 5 V Operation; (4)Industrial Temperature Range; (5)Comprehensive Suite of Software Drivers Available; (6)Efficient PacketPage. Architecture Operates in I/O and Memory Space, and as DMA Slave; (7)Full Duplex Operation; (8)On-Chip RAM Buffers Transmit and Receive Frames; (9)EEPROM Support for Jumperless Configuration; (10)Boot PROM Support for Diskless Systems; (11)Boundary Scan and Loopback Test; (12)LED Drivers for Link Status and LAN.
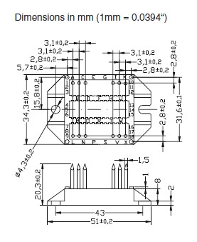
Diagrams

| Image | Part No | Mfg | Description | ![]() |
Pricing (USD) |
Quantity | ||||||
|---|---|---|---|---|---|---|---|---|---|---|---|---|
![]() |
![]() DSEI2x101-12A |
![]() Ixys |
![]() Rectifiers 1200V 2X91A |
![]() Data Sheet |
![]() Negotiable |
|
||||||
| Image | Part No | Mfg | Description | ![]() |
Pricing (USD) |
Quantity | ||||||
![]() |
![]() DSEI 2x101 |
![]() Other |
![]() |
![]() Data Sheet |
![]() Negotiable |
|
||||||
![]() |
![]() DSEI 2X61-02A |
![]() |
![]() DIODE FRED 200V 71A SOT-227 |
![]() Data Sheet |
![]()
|
|
||||||
![]() |
![]() DSEI12 |
![]() Other |
![]() |
![]() Data Sheet |
![]() Negotiable |
|
||||||
![]() |
![]() DSEI120 |
![]() Other |
![]() |
![]() Data Sheet |
![]() Negotiable |
|
||||||
![]() |
![]() DSEI120-06A |
![]() Ixys |
![]() Rectifiers 120 Amps 600V |
![]() Data Sheet |
![]() Negotiable |
|
||||||
![]() |
![]() DSEI120-12A |
![]() Ixys |
![]() Rectifiers 120 Amps 1200V |
![]() Data Sheet |
![]() Negotiable |
|
||||||
(China (Mainland))












