Product Summary
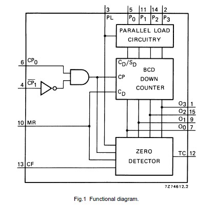
The HEF4522BP is a synchronous programmable 4-bit BCD down counter with an active HIGH and an active LOW clock input, an asynchronous parallel load input, (PL), four parallel inputs (P0 to P3), a cascade feedback input (CF), four buffered parallel outputs, a terminal count output (TC) and an overriding asynchronous master reset input (MR). The HEF4522BP is a programmable, cascadable down counter with a decoded TC output for divide-by-n applications.
Parametrics
HEF4522BP maximum ratings: (1)Supply voltage: -0.5 to +11V; (2)Voltage on any input: -0.5 to VDD+2.5V; (3)Current into any input: 10mA; (4)Power dissipation: 400mW; (5)Operating ambient: -40 to +85℃; (6)Storage temperature: -65 to +150℃.
Diagrams

![]() |
![]() HEF4000B |
![]() Other |
![]() |
![]() Data Sheet |
![]() Negotiable |
|
||||||||||||
![]() |
![]() HEF4000BP,652 |
![]() NXP Semiconductors |
![]() Gates (AND / NAND / OR / NOR) DUAL 3-INPUT NOR |
![]() Data Sheet |
![]()
|
|
||||||||||||
![]() |
![]() HEF4000BT,652 |
![]() NXP Semiconductors |
![]() Gates (AND / NAND / OR / NOR) DUAL 3-INPUT NOR |
![]() Data Sheet |
![]()
|
|
||||||||||||
![]() |
![]() HEF4001B |
![]() Other |
![]() |
![]() Data Sheet |
![]() Negotiable |
|
||||||||||||
![]() |
![]() HEF4001BT,652 |
![]() NXP Semiconductors |
![]() Gates (AND / NAND / OR / NOR) QUAD 2-IN NOR GATE |
![]() Data Sheet |
![]()
|
|
||||||||||||
![]() |
![]() HEF4001BT,653 |
![]() NXP Semiconductors |
![]() Gates (AND / NAND / OR / NOR) QUADRUPLE 2-INPUT NOR GATE |
![]() Data Sheet |
![]()
|
|
||||||||||||
(China (Mainland))









