Product Summary
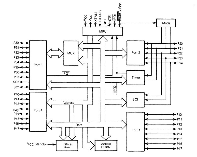
The MC68701CS-1 is an 8-bit single chip microcomputer unit(MCU)which significantly enhances the capabilities of the M6800 family of parts. It can be used in production systems to allow for easy firmware changes with minimum delay or it can be used to emulate the MC6801/03 for software development. The MC68701CS-1 includes an upgraded M6800 microprocessor unit(MPU)with upward source and object code compatibility.
Parametrics
MC68701CS-1 absolute maxing ratings: (1)Supply voltage VCC: -0.3 to +7.0V; (2)Input voltage Vin: -0.3 to +7.0V; (3)Operating temperature range TA: -40 to 85℃; (4)Storage temperature range Tstg: 0 to 85℃.
Features
MC68701CS-1 features: (1)Enhanced MC6800 instruction set; (2)8×8 multiply instruction; (3)Serial communications interface(SCI); (4)Upward source and object code compatibility with the MC6800; (5)16-bit three-function programmable timer; (6)Single-chip or expanded operation to 64K byte address space; (7)Bus compatibility with the M6800 family; (8)2048 bytes of UV erasable, user programmable ROM(EPROM); (9)128 bytes of RAM(64 bytes retainable on powerdown); (10)29 parallel I/O and two handshake control lines; (11)Internal clock generator with divide-by-four output; (12)-40 to 85℃ temperature range.
Diagrams

![]() |
![]() MC6800 |
![]() Other |
![]() |
![]() Data Sheet |
![]() Negotiable |
|
||||
![]() |
![]() MC6801 |
![]() Other |
![]() |
![]() Data Sheet |
![]() Negotiable |
|
||||
![]() |
![]() MC68020 |
![]() Other |
![]() |
![]() Data Sheet |
![]() Negotiable |
|
||||
![]() |
![]() MC68020CEH16E |
![]() Freescale Semiconductor |
![]() Microprocessors (MPU) 32-BIT MPU |
![]() Data Sheet |
![]() Negotiable |
|
||||
![]() |
![]() MC68020CEH25E |
![]() Freescale Semiconductor |
![]() Microprocessors (MPU) 32-BIT MPU |
![]() Data Sheet |
![]() Negotiable |
|
||||
![]() |
![]() MC68020CRC16E |
![]() Freescale Semiconductor |
![]() Microprocessors (MPU) 32-BIT MPU |
![]() Data Sheet |
![]() Negotiable |
|
||||
(China (Mainland))









