Product Summary
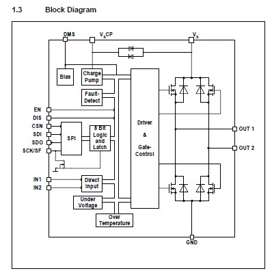
The TLE7209-2R is an intelligent full H-Bridge, designed for the control of DC and stepper motors in safety critical applications and under extreme environmental conditions. The TLE7209-2R is configurable by the DMS pin. When grounded, the device gives diagnostic information via a simple error flag. When supplied with VCC = 5 V, the device works in SPI mode.
Parametrics
TLE7209-2R maximum ratings: (1)Storage temperature: -55 +125℃; (2)Ambient temperature: -40 to +125℃; (3)Supply voltage: VS=-1, 40V; VS=-2, 40V; (4)Voltage at logic inputs IN1, IN2, DIS, EN,SDI, SCK/SF: -0.5 to 18V; (5)Voltage at logic input CSN: -0.5 to 40V; (6)Voltage at logic input DMS and logic output SDO: -0.5 to 13V; (7)Voltage at VsCP: VS - 0.5 to VS +0.5V.
Features
TLE7209-2R features: (1)Operating supply voltage 5 V to 28 V; (2)Typical RDSon = 150m?for each output transistor; (3)(at 25 ℃); (4)Continuous DC load current 3.5 A (TC < 100℃); (5)Output current limitation at typ. 6.6 A ±1.1 A; (6)Short circuit shut-down for output currents over 8 A; (7)Logic- inputs TTL/CMOS-compatible; (8)Output switching frequency up to 30 kHz; (9)Rise and fall times optimized for 0.5-2 kHz; (10)Over-temperature protection; (11)Short circuit protection; (12)Undervoltage disable function.
Diagrams

| Image | Part No | Mfg | Description | ![]() |
Pricing (USD) |
Quantity | ||||||||||||
|---|---|---|---|---|---|---|---|---|---|---|---|---|---|---|---|---|---|---|
![]() |
![]() TLE7209-2R |
![]() Infineon Technologies |
![]() Motor / Motion / Ignition Controllers & Drivers 7A H-Bridge 150mA DC-MOTORAPPS |
![]() Data Sheet |
![]() Negotiable |
|
||||||||||||
| Image | Part No | Mfg | Description | ![]() |
Pricing (USD) |
Quantity | ||||||||||||
![]() |
![]() TLE7181EM |
![]() Infineon Technologies |
![]() Motor / Motion / Ignition Controllers & Drivers |
![]() Data Sheet |
![]()
|
|
||||||||||||
![]() |
![]() TLE7181EMXT |
![]() Infineon Technologies |
![]() Motor / Motion / Ignition Controllers & Drivers |
![]() Data Sheet |
![]() Negotiable |
|
||||||||||||
![]() |
![]() TLE7182EM |
![]() Infineon Technologies |
![]() Motor / Motion / Ignition Controllers & Drivers |
![]() Data Sheet |
![]()
|
|
||||||||||||
![]() |
![]() TLE7182EMXT |
![]() Infineon Technologies |
![]() Motor / Motion / Ignition Controllers & Drivers |
![]() Data Sheet |
![]() Negotiable |
|
||||||||||||
![]() |
![]() TLE7183F |
![]() Infineon Technologies |
![]() Motor / Motion / Ignition Controllers & Drivers 3 PHASE BRIDGE DRIVER IC |
![]() Data Sheet |
![]()
|
|
||||||||||||
![]() |
![]() TLE7184F |
![]() Infineon Technologies |
![]() Motor / Motion / Ignition Controllers & Drivers GATE DRIVER ICS FOR EXTERNAL MOSFETS |
![]() Data Sheet |
![]()
|
|
||||||||||||
(China (Mainland))










