Product Summary
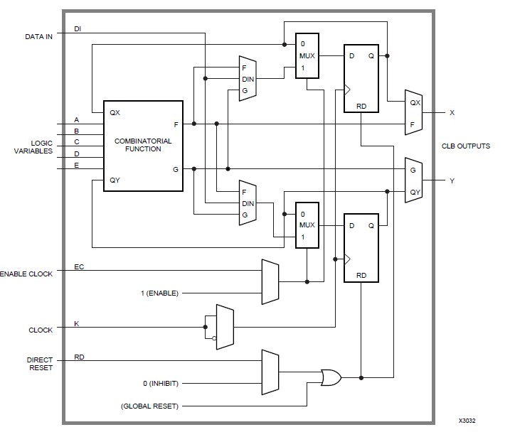
The XC3130A-4PQ100C is an enhanced version of the basic XC3000 family, featuring additional interconnect resources and other user-friendly enhancements. The XC3130A-4PQ100C FPGA architectures are upward-compatible extensions. The XC3130A-4PQ100C has additional interconnect resources to drive the I-inputs of TBUFs driving horizontal Longlines. The CLB Clock Enable input of the XC3130A-4PQ100C can be driven from a second vertical Longline. These two additions result in more efficient and faster designs when horizontal Longlines are used for data bussing.
Parametrics
XC3130A-4PQ100C absolute maximum ratings: (1)VCC Supply voltage relative to GND: –0.5 to +7.0 V; (2)VIN Input voltage with respect to GND: –0.5 to VCC +0.5 V; (3)VTS Voltage applied to 3-state output: –0.5 to VCC +0.5 V; (4)TSTG Storage temperature (ambient): –65 to +150 ℃; (5)TSOL Maximum soldering temperature (10 s @ 1/16 in.): +260 ℃; (6)Junction temperature plastic: +125 ℃; (7)Junction temperature ceramic: +150 ℃.
Features
XC3130A-4PQ100C features: (1)Complete line of four related Field Programmable Gate Array product families; (2)Ideal for a wide range of custom VLSI design tasks; (3)High-performance CMOS static memory technology; (4)Flexible FPGA architecture; (5)Unlimited reprogrammability; (6)Extensive packaging options; (7)Ready for volume production; (8)Complete Development System.
Diagrams


![]() |
![]() XC31 |
![]() Other |
![]() |
![]() Data Sheet |
![]() Negotiable |
|
||||
![]() |
![]() XC3100 |
![]() Other |
![]() |
![]() Data Sheet |
![]() Negotiable |
|
||||
![]() |
![]() XC3100A |
![]() Other |
![]() |
![]() Data Sheet |
![]() Negotiable |
|
||||
![]() |
![]() XC3100L |
![]() Other |
![]() |
![]() Data Sheet |
![]() Negotiable |
|
||||
![]() |
![]() XC3120A-3PC68C |
![]() |
![]() IC LOGIC CL ARRAY 2000GAT 68PLCC |
![]() Data Sheet |
![]() Negotiable |
|
||||
![]() |
![]() XC3130A-3PC84C |
![]() |
![]() IC LOGIC CL ARRAY 3000GAT 84PLCC |
![]() Data Sheet |
![]() Negotiable |
|
||||
(China (Mainland))








