Product Summary
The FLM1011-8F is a power GaAs FET that is internally matched for standard communication bands to provide optimum power and gain in a 50 ohm system.
Parametrics
Absolute maximum ratings: (1)Drain-Source Voltage:-15V; (2)Gate-Source Voltage:-5V; (3)Total Power Dissipation:42.8W; (4)Storage Temperature:-65℃ to +175℃; (5)Channel Temperature:175℃.
Features
Features: (1)High Output Power: P1dB = 39.0dBm (Typ.); (2)High Gain: G1dB = 7.0dB (Typ.); (3)High PAE: ηadd = 29% (Typ.); (4)Low IM3 = -46dBc@Po = 28.5dBm; (5)Broad Band: 10.7GHz to 11.7GHz; (6)Impedance Matched Zin/Zout = 50Ω; (7)Hermetically Sealed.
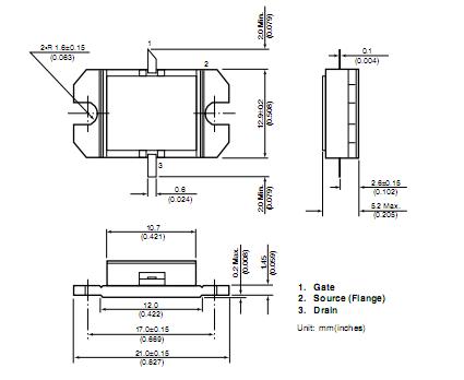
Diagrams

![]() |
![]() FLM1213-4F |
![]() Other |
![]() |
![]() Data Sheet |
![]() Negotiable |
|
||||
(China (Mainland))








