Product Summary
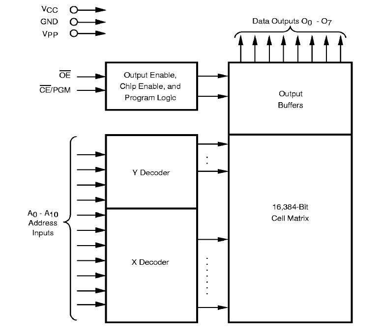
The NMC27C16BQE200 is a high performance 16K UV erasable and electrically reprogrammable CMOS EPROM, ideally suited for applications where fast turn around, pattern experimentation and low power consumption are important requirements. The NMC27C16BQE200 is packaged in a 24-pin dual-in -line package with a quartz window. The quartz window allows the user to expose the chip to ultraviolet light to erase the bit pattern. A new pattern can then be written into the device by following the programming procedure.
Parametrics
NMC27C16BQE200 absolute maxing ratings: (1)Temperature under bias commercial parts: -10℃ to +80℃; extended temp. parts: -40℃ to +85℃; (2)Storage temperature: -65℃ to +150℃; (3)VCC supply with respected to ground: +7.0V to -0.6V; (4)All input voltages expect A9 with respect to ground: +6.5V to -0.6V; (5)All output voltages with respect to ground: VCC+1.0V to GND-0.6V; (6)VPP supply and A9 voltage with respect to ground: +14.0V to -0.6V; (7)Power dissipation: 1.0W; (8)Lead Temp.(soldering, 10sec): 300℃.
Features
NMC27C16BQE200 features: (1)Low COMS power consumption Active power: 55mW max; Standby power: 0.55mW max; (2)Extended temperature range available, -40℃ to +85℃; (3)Fast and reliable programming(100μs for most bytes); (4)TTL compatible inputs/outputs; (5)TRI-STATE output; (6)Manufacture identification code for automatic programming equipment; (7)High current CMOS level output drivers; (8)Upgrade for NMOS 2716.
Diagrams

![]() |
![]() NMC2532Q |
![]() Other |
![]() |
![]() Data Sheet |
![]() Negotiable |
|
||||
![]() |
![]() NMC27C64 |
![]() Other |
![]() |
![]() Data Sheet |
![]() Negotiable |
|
||||
![]() |
![]() NMC27C16 |
![]() Other |
![]() |
![]() Data Sheet |
![]() Negotiable |
|
||||
![]() |
![]() NMC2764 |
![]() Other |
![]() |
![]() Data Sheet |
![]() Negotiable |
|
||||
(China (Mainland))








