Product Summary
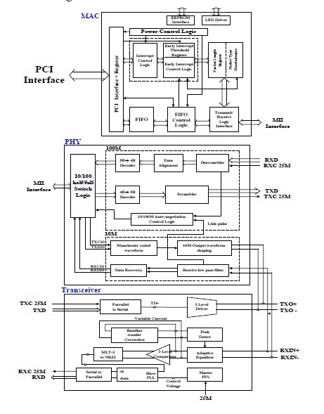
The RTL8101E is a highly integrated, cost-effective single-chip Fast Ethernet controller that provides 32-bit performance, PCI bus master capability, and full compliance with IEEE 802.3u 100Base-T specifications and IEEE 802.3x Full Duplex Flow Control. The RTL8101E also supports the Advanced Configuration Power management Interface (ACPI), PCI power management for modern operating systems that are capable of Operating System Directed Power Management (OSPM) to achieve the most efficient power management possible.
Parametrics
RTL8101E electircal characteristics: (1)Storage temperature: min=-55℃, max=+125℃; (2)Operating temperature: min=0, max=70℃; (3)On the condition of IOH=-8mA, minimum high level output voltage VOH: min=0.9*VCC V, max=VCC V; (4)On the condition of IOL=8mA, maximum low level output voltage VOL: max=0.1*VCC V; (5)Minimum high level input voltage VIH: min=0.5*VCC V; (6)Maximum low level input voltage VIL: min=-0.5V, max=0.3*VCC V; (7)On the condition of VIN=VCC or GND Input IIN: min=-1.0μA, max=1.0μA; (8)On the condition of VOUT=VCC or GND, tri-state output leakage current IOZ: min=-10μA, max=10μA; (9)On the condition of IOUT=0mA, average operating supply current ICC: max=330mA.
Features
RTL8101E features: (1)100pin QFP/LQFP; (2)Integrated fast etherner MAC, physical chip and transceiver in one chip; (3)10Mb/s and 100Mb/s operation; (4)Supports 10Mb/s and 100Mb/s N-way auto-negotiation operation; (5)PCI local bus single-chip fast ethernet controller; (6)Supports 25MHz crystal or 25MHz OSC as the internal clock source. The frequency deviation of either crystal or OSC must be within 50 PPM.; (7)Compliant to PC99/PC2001 standard; (8)Supports wake-on-lan function and remote wake-up; (9)Supports 4 wake-on-lan(WOL)signals; (10)Supports auxiliary power-on internal reset, to be ready for remote wake-up when main power still remains off.
Diagrams

![]() |
![]() RTL8019 |
![]() Other |
![]() |
![]() Data Sheet |
![]() Negotiable |
|
||||
![]() |
![]() RTL8019AS |
![]() Other |
![]() |
![]() Data Sheet |
![]() Negotiable |
|
||||
![]() |
![]() RTL8019AS-LF |
![]() Other |
![]() |
![]() Data Sheet |
![]() Negotiable |
|
||||
![]() |
![]() RTL8029AS |
![]() Other |
![]() |
![]() Data Sheet |
![]() Negotiable |
|
||||
![]() |
![]() RTL8100B(L) |
![]() Other |
![]() |
![]() Data Sheet |
![]() Negotiable |
|
||||
![]() |
![]() RTL8100C |
![]() Other |
![]() |
![]() Data Sheet |
![]() Negotiable |
|
||||
(China (Mainland))








