Product Summary
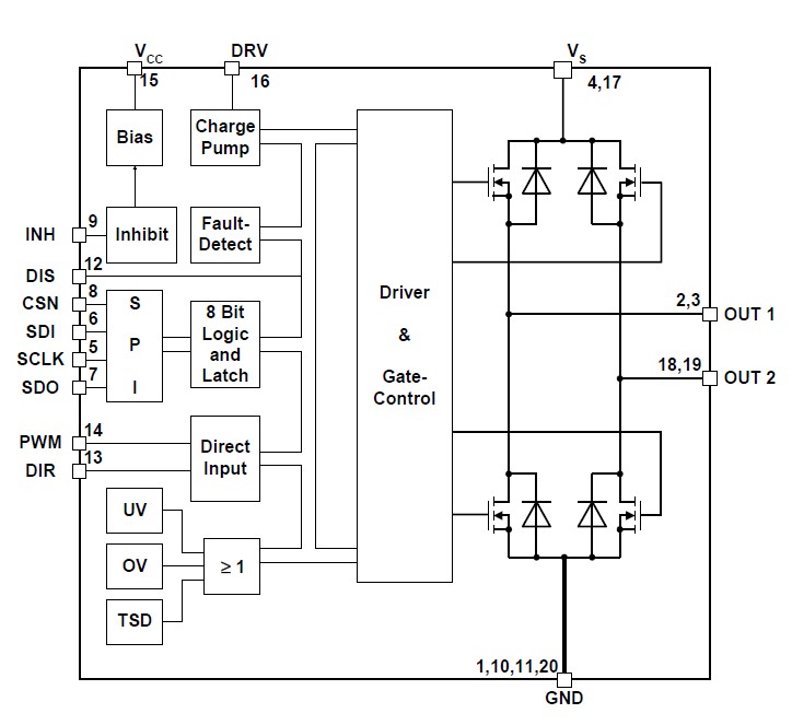
The TLE6209R is an integrated power H-Bridge with D-MOS output stages for driving bidirectional loads such as DC-Motors. The design is based on Infineons Smart Power Technology SPT which allows bipolar, CMOS and power D-MOS devices on the same monolithic circuit. Operation modes forward (cw), reverse (ccw) and brake are invoked by two control pins PWM and DIR. Protection and a reliable diagnosis of overcurrent, openload, short-circuit to ground, to the supply voltage or across the load of the TLE6209R are integrated. Detailed diagnostic information is given via the 8 bit SPI status word. An integrated chopper current limitation limits the current e.g. to reduce power dissipation during mechanical block of a DC motor. Several device parameters of the TLE6209R can be set by the SPI control word. A three-level temperature monitoring with prewarning, warning and shutdown is included for controlled operation under critical power loss conditions. The full protection and diagnosis capability make the device suitable especially for safety relevant applications, e.g. in automotive ECUs.
Parametrics
TLE6209R absolute maximum ratings: (1)Supply voltage VS: – 0.3~40 V; (2)Supply voltage VS: – 1~45 V, t < 0.5 s; IS > – 2 A; (3)Logic supply voltage VCC: – 0.3~5.5 V, 0 V < VS < 40 V; (4)Logic input voltages VI: – 0.3~5.5 V, 0 V < VS < 40 V; (SDI, SCLK, CSN, INH, DIS, PWM, DIR): 0 V < VCC < 5.5 V; (5)Logic output voltage: VO – 0.3 5.5 V 0 V < VS < 40 V; (SDO): 0 V < VCC < 5.5 V; (6)Output voltage: VOUT – 0.3 V VS +, 0 V < VS < 40 V; (OUT1, OUT2): 1,5V.
Features
TLE6209R features: (1)Delivers up to 6 A continuous and 7 A peak current; (2)Optimized for DC motor management applications; (3)Very low RDS ON of typ. 150 m@ 25 ℃ per switch; (4)Operates at supply voltages of up to 40V; (5)Overvoltage Protection against transients up to 45 V; (6)Outputs fully short circuit protected; (7)Standard SPI-Interface, daisy chain capability; (8)Adjustable chopper current regulation of up to 7 A; (9)Temperature monitor with prewarning, warning and shutdown; (10)Over-and Undervoltage-Lockout; (11)Open load detection; (12)Detailed load failure diagnosis by SPI; (13)Minimized power dissipation due to active free-wheeling; (14)Low EMI due to voltage slope regulation; (15)Very low current consumption (typ. 20 μA@ 25 ℃) in stand-by (Inhibit) mode; (16)Enhanced power PG-DSO-Package; (17)Green Product (RoHS compliant); (18)AEC Qualified.
Diagrams

| Image | Part No | Mfg | Description | ![]() |
Pricing (USD) |
Quantity | ||||||||||
|---|---|---|---|---|---|---|---|---|---|---|---|---|---|---|---|---|
![]() |
![]() TLE6209R |
![]() Infineon Technologies |
![]() Motor / Motion / Ignition Controllers & Drivers 7A H-Bridge 150mA DC-MOTORAPPS |
![]() Data Sheet |
![]() Negotiable |
|
||||||||||
| Image | Part No | Mfg | Description | ![]() |
Pricing (USD) |
Quantity | ||||||||||
![]() |
![]() TLE6208-3G |
![]() Infineon Technologies |
![]() Motor / Motion / Ignition Controllers & Drivers Triple-Half-Bridge |
![]() Data Sheet |
![]()
|
|
||||||||||
![]() |
![]() TLE6208-6G |
![]() Infineon Technologies |
![]() Motor / Motion / Ignition Controllers & Drivers Six-fold Half-Bridge Driver |
![]() Data Sheet |
![]()
|
|
||||||||||
![]() |
![]() TLE6209 |
![]() Other |
![]() |
![]() Data Sheet |
![]() Negotiable |
|
||||||||||
![]() |
![]() TLE6209R |
![]() Infineon Technologies |
![]() Motor / Motion / Ignition Controllers & Drivers 7A H-Bridge 150mA DC-MOTORAPPS |
![]() Data Sheet |
![]() Negotiable |
|
||||||||||
![]() |
![]() TLE6210 |
![]() Other |
![]() |
![]() Data Sheet |
![]() Negotiable |
|
||||||||||
![]() |
![]() TLE6211 |
![]() Other |
![]() |
![]() Data Sheet |
![]() Negotiable |
|
||||||||||
(China (Mainland))










