Product Summary
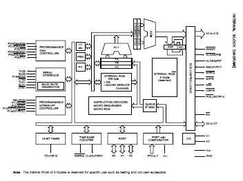
The UPD70325L-10 is a single-chip microcontroller on which 16-bit CPU, RAM, serial interface, timer, DMA controller, interrupt controller, etc. are all integrated. The UPD70325L-10 is software compatible with the 16/8-bit singlechip microcontroller mPD70320 (V25TM).
Parametrics
UPD70325L-10 maximum ratings: (1)Supply Voltage: VDD=– 0.5 to +7.0 V, VTH= – 0.5 to VDD + 0.5 V; (2)Input Voltage: – 0.5 to VDD + 0.5 V; (3)Output Voltage: – 0.5 to VDD + 0.5 V; (4)Output Current Low:(Each output pin) 4.0 mA, (Total) 50 mA; (5)Output Current High: ( Each output pin) –2.0 mA, (Total) –20 mA; (6)Operating Ambient Temperature: –10 to +70℃; (7)Storage Temperature:– 65 to +150℃.
Features
UPD70325L-10 features: (1)Software compatible with V25; (2)Software compatible with UPD70108/70116 (in native mode) (some instructions added); (3)Internal 16-bit architecture and external 8-bit data bus; (4)3-stage pipeline method; (5)Memory space 1 Mbyte; (6)On-chip RAM : 256 words× 8 bits; (7)Register bank (memory mapped method) : 8 banks; (8)Input port (port T) with comparator : 8 bits; (9)16-bit timer : 2 channels; (10)Time base counter (20 bits) : 1 channel; (11)On-chip clock generator; (12)Programmable wait function; (13)Standby function (STOP, HALT).
Diagrams

![]() |
![]() UPD70008AG-4 |
![]() Other |
![]() |
![]() Data Sheet |
![]() Negotiable |
|
||||
![]() |
![]() UPD70236AGD-10-5BB |
![]() Other |
![]() |
![]() Data Sheet |
![]() Negotiable |
|
||||
![]() |
![]() UPD7030025AGC-25 |
![]() Other |
![]() |
![]() Data Sheet |
![]() Negotiable |
|
||||
![]() |
![]() UPD703014A |
![]() Other |
![]() |
![]() Data Sheet |
![]() Negotiable |
|
||||
![]() |
![]() UPD703014AY |
![]() Other |
![]() |
![]() Data Sheet |
![]() Negotiable |
|
||||
![]() |
![]() UPD703015A |
![]() Other |
![]() |
![]() Data Sheet |
![]() Negotiable |
|
||||
(China (Mainland))








