Product Summary
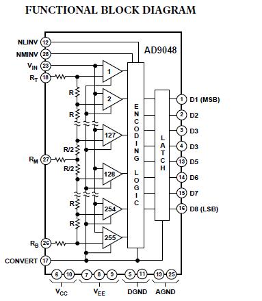
The AD9048SQ is a an 8-bit, 35 MSPS flash converter. Because of its wide bandwidth, it is an ideal choice for real-time conversion of video signals. Input bandwidth of the AD9048SQ is flat with no missing codes. The AD9048SQ operates over two ambient temperature ranges and with two grades of linearity are available. Linearities of either 0.5 LSB or 0.75 LSB can be ordered for a commercial range of 0℃ to +70℃ or extended case temperatures of –55℃ to +125℃.The applications of the AD9048SQ include Professional Video Systems, Special Effects Generators, Electro-Optics, Digital Radio and Electronic Warfare (ECM, ECCM, ESM).
Parametrics
AD9048SQ absolute maximum ratings: (1)VCC to DGND: –0.5 V dc to +7.0 V dc; (2)AGND to DGND: –0.5 V dc to +0.5 V dc; (3)VEE to AGND: +0.5 V dc to –7.0 V dc; (4)VIN, VRT or VRB to AGND: +0.5 V to VEE; (5)VRT to VRB: –2.2 V dc to +2.2 V dc; (6)CONV, NMINV or NLINV to DGND: –0.5 V dc to +5.5 V dc; (7)Applied Output Voltage to DGND: –0.5 V dc to +5.5 V dc2; (8)Applied Output Current, Externally Forced: –1.0 mA to +6.0 mA; (9)Output Short-Circuit Duration: -1.0 sec; (10)Operating Temperature Range (Ambient): –55 to +125℃; (11)Maximum Junction Temperature (Plastic): +150℃; (12)Maximum Junction Temperature (Hermetic): +175℃; (13)Lead Temperature (Soldering, 10 sec):+300℃; (14)Storage Temperature Range: –65 to +150℃.
Features
AD9048SQ features: (1)35 MSPS Encode Rate; (2)16 pF Input Capacitance; (3)550 mW Power Dissipation; (4)Industry-Standard Pinouts; (5)MIL-STD-883 Compliant Versions Available.
Diagrams

| Image | Part No | Mfg | Description | ![]() |
Pricing (USD) |
Quantity | ||||
|---|---|---|---|---|---|---|---|---|---|---|
![]() |
![]() AD9048SQ/883B |
![]() Other |
![]() |
![]() Data Sheet |
![]() Negotiable |
|
||||
| Image | Part No | Mfg | Description | ![]() |
Pricing (USD) |
Quantity | ||||
![]() |
![]() AD9000 |
![]() Other |
![]() |
![]() Data Sheet |
![]() Negotiable |
|
||||
![]() |
![]() AD9000JD |
![]() Other |
![]() |
![]() Data Sheet |
![]() Negotiable |
|
||||
![]() |
![]() AD9000SD |
![]() Other |
![]() |
![]() Data Sheet |
![]() Negotiable |
|
||||
![]() |
![]() AD9002 |
![]() Other |
![]() |
![]() Data Sheet |
![]() Negotiable |
|
||||
![]() |
![]() AD9002AD |
![]() Analog Devices Inc |
![]() IC ADC 8BIT BIPOLAR HS 28-CDIP |
![]() Data Sheet |
![]() Negotiable |
|
||||
![]() |
![]() AD9002AJ |
![]() Analog Devices Inc |
![]() IC ADC 8BIT BIPOLAR HS 28-JLCC |
![]() Data Sheet |
![]() Negotiable |
|
||||
(China (Mainland))










