Product Summary
The SMLJ30CA is a 3000W Transient Voltage Suppressor (TVSs) which protects a variety of voltage-sensitive components from destruction or degradation. It can protect from secondary lightning effects per IEC61000-4-5 and class levels defined herein, or for inductive switching environments and induced RF protection. The applications of the SMLJ30CA include: (1)Protection from switching transients and induced RF; (2)Protection from ESD, and EFT per IEC 61000-4-2 and IEC 61000-4-4; (3)Secondary lightning protection per IEC61000-4-5 with 42 Ohms source impedance: Class 1 & 2: SML 5.0 to SML 170A or CA; Class 3: SML 5.0 to SML 150A or CA; Class 4: SML 5.0 to SML 75A or CA; (4)Secondary lightning protection per IEC61000-4-5 with 12 Ohms source impedance: Class 1: SML 5.0 to SML 170A or CA; Class 2: SML 5.0 to SML 90A or CA; Class 3: SML 5.0 to SML 48A or CA; Class 4: SML 5.0 to SML 24A or CA; (5)Secondary lightning protection per IEC61000-4-5 with 2 Ohms source impedance: Class 2: SML 5.0 to SML 43A or CA; Class 3: SML 5.0 to SML 22A or CA; Class 4: SML 5.0 to SML10A or CA.
Parametrics
SMLJ30CA absolute maxing ratings: (1)Peak Pulse Power dissipation at 25℃: 3000 watts at 10/1000 μs; (2)Impulse repetition rate (duty factor): 0.01%; (3)tclamping (0 volts to V(BR) min.): < 100 ps theoretical for unidirectional and < 5 ns for bidirectional; (4)Operating and Storage temperature: -65℃ to +150℃; (5)Thermal resistance: 17.5℃/W junction to lead, or 77.5℃/W junction to ambient when mounted on FR4 PC board (1 oz Cu) with recommended footprint; (6)Steady-State Power dissipation: 6 watts at TL=45℃, or 1.61 watts at TA=25℃ when mounted on FR4 PC board with recommended footprint; (7)Forward Surge at 25℃: 200 Amps peak impulse of 8.3 ms half-sine wave (unidirectional only); (8)Solder temperatures: 260℃ for 10s (maximum).
Features
SMLJ30CA features: (1)Economical surface mount design in both J-bend or Gull-wing terminations; (2)Available in both Unidirectional and Bidirectional construction with a C or CA suffix; (3)Selections for 5.0 to 170 volts standoff voltages (VWM); (4)Suppresses transients up to 3000 watts@10/1000μ; (5)Fast response; (6)Options for screening in accordance with MIL-PRF-19500 for JAN, JANTX, JANTXV, and JANS are available by adding MQ, MX, MV, or MSP prefixes respectively to part numbers; (7)Axial-lead packages for thru-hole mounting available as 5KP5.0-110A with 5000 W rating (consult factory for other surface mount options); (8)Moisture classification is Level 1 with no dry pack required per IPC/JEDEC J-STD-020B.
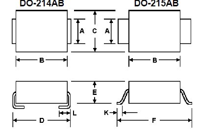
Diagrams

| Image | Part No | Mfg | Description | ![]() |
Pricing (USD) |
Quantity | ||||||||||||||||
|---|---|---|---|---|---|---|---|---|---|---|---|---|---|---|---|---|---|---|---|---|---|---|
![]() |
![]() SMLJ30CA |
![]() Bourns |
![]() TVS Diodes - Transient Voltage Suppressors 30volts 5uA 62 Amps Bi-Dir |
![]() Data Sheet |
![]()
|
|
||||||||||||||||
![]() |
![]() SMLJ30CA-TP |
![]() |
![]() TVS 3000W 30V BIDIRECT SMC |
![]() Data Sheet |
![]()
|
|
||||||||||||||||
(China (Mainland))










